- Регулировка скорости вращения
- Встроенные термоконтакты
- Не требуют обслуживания и надежны в работе
 
Рекомендации по применению: Вентиляторы AW - для вытяжной вентиляции без сетей воздуховодов (складов, компрессорных и т.д.).
Конструкция: Корпус вентиляторов изготовлен из оцинкованной стали, рабочее колесо с лопатками аэродинамической формы - из литого под давлением алюминия, все части окрашены в черный цвет (RAL 9005). Вентиляторы AW оснащены квадратными пластинами для настенного монтажа. 
Двигатель: AW оборудованы электродвигателями с внешним ротором с регулируемой скоростью вращения. Двигатели оснащены встроенными термоконтактами с выводами для подключения к внешнему устройству защиты от перегрева.
Регулирование скорости: Скорость 1-фазных вентиляторов можно регулировать с помощью бесступенчатого тиристора или 5-ти ступенчатого трансформатора, 3-фазных - с помощью 5-ти ступенчатого трансформатора или изменением способа подключения «треугольник»/«звезда».
Монтаж: Вентиляторы AW предназначены для настенного монтажа.
Сертификаты: Сертификаты соответствия РФ и Украины
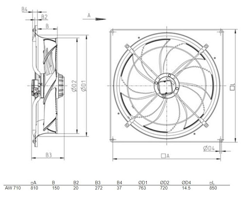
Размеры

| 
 | 
| 
 | 
Схема подключения

 
         
                                 
             
                                         
                                         
                                         
                                 
                                 
                                