Осевой вентилятор низкого давления AW 910DS SILEO отлично сочетает высокую производительность с регулируемой скоростью вращения и надежностью эксплуатации. Он справляется с максимальным воздухообменом до 27 583 м³/ч, обеспечивая эффективную вытяжную вентиляцию без применения воздуховодов.
Основные характеристики
Вентилятор рассчитан на трехфазное питание 380 В и работает на частоте 50 Гц с мощностью 1,95 кВт. Частота вращения составляет 880 об/мин, что позволяет обрабатывать большие объемы воздуха при умеренном уровне шума — 72 дБ(А) на расстоянии одного метра. Максимальная температура перемещаемого воздуха достигает 70 °С, при этом вентилятор сохраняет работоспособность даже при регулировании скорости. Это делает его пригодным для применения в производственных и складских помещениях, где температура воздуха может быть повышенной.
Преимущества и особенности
- Регулировка скорости вращения: позволяет оптимизировать производительность и уровень энергопотребления, используя бесступенчатый тиристор или 5-ступенчатый трансформатор, а также для трехфазных моделей – вариативное подключение «треугольник»/«звезда».
- Надежный двигатель с защитой: электродвигатель с внешним ротором оснащен встроенными термоконтактами для подключения к системе защиты от перегрева, что минимизирует риск поломок и продлевает срок службы.
- Удобство монтажа: корпус из окрашенной оцинкованной стали с аэродинамическим алюминиевым рабочим колесом и квадратной монтажной панелью позволяет быстро установить вентилятор на стену без дополнительных сложностей.
- Минимальное обслуживание: конструкция не требует частого техобслуживания, что снижает эксплуатационные затраты и время на техническое обслуживание.
- Комплектация: поставляется с крепежными панелями и элементами для настенного монтажа, готов к быстрой установке.
Варианты применения
Модель AW 910DS SILEO предназначена для обеспечения вытяжной вентиляции в помещениях без сети воздуховодов, включая склады, компрессорные и другие промышленные зоны, где требуется надежный воздухообмен при ограниченных монтажных возможностях. Благодаря высокой производительности и возможности регулирования оборотов вентилятор подходит для ситуаций со значительными объемами перемещаемого воздуха и переменными требованиями к скорости вентиляции.
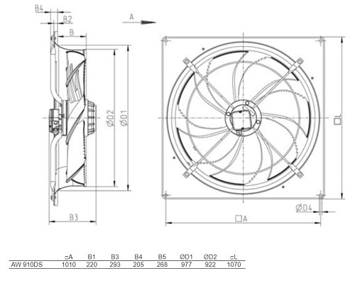
Размеры

| А = Направление движения воздуха |
|
| | в–ЎA | B1 | B3 | B4 | B5 | Г?D1 | Г?D2 | в–ЎL |
| AW 910DS | 1010 | 220 | 293 | 205 | 268 | 922 | 977 | 1070 |
| | | | | | | | | |
|
Схема подключения

| | | |
| Высокая скорость | | Низкая скорость |
| Подключение треугольником | | Подключение звездой |
| | | |
|