Преимущества:
- Стандартный модельный ряд, короткие сроки поставки
- Лопатки аэродинамической формы с регулируемым углом наклона
- Рабочее колесо и лопасти выполнены из литого алюминия
- Корпус выполнен из малоуглеродистой горячекатаной оцинкованной стали, согласно EN ISO 1641
- Антиискровое алюминиевое кольцо
- Фланцы повышенной жесткости
- 3~ -фазные электродвигатели, IP55, класс изоляции F (EN 60034, IEC 85) Клеммная коробка (Ex e) смонтирована на двигателе
- Допустимая температура окружающей среды от -20°C до +40°C (другие по запросу)
- Смотровое окно для проверки направления вращения рабочего колеса
Рекомендации по применению: AXC-EX взрывозащищенные осевые вентиляторы среднего давления. Регулируемые углы наклона лопаток позволяют достичь высокой производительности и максимально точного расхода воздуха. Вентиляторы AXC-EX используются для зон 1 или 2 класса, для категорий смеси II А, B и C, и температурных классов T1-T4. Вентиляторы AXC-EX классифицируются по категории 2G.
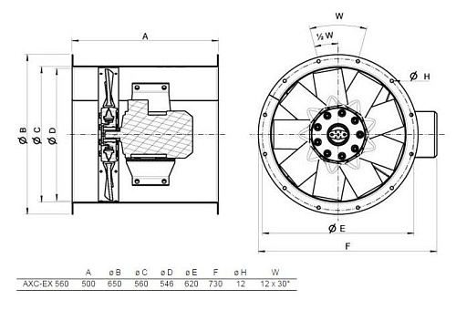
Конструкция: Корпус вентилятора выполнен из малоуглеродистой горячекатаной оцинкованной стали, согласно EN ISO 1461. Рабочее колесо и лопасти выполнены из литого алюминия, статически и динамически сбалансированы. Фланцы имеют повышенную жесткость, согласно DIN 24154-3.
Двигатель: Взрывозащищенный электродвигатель находится в потоке перемещаемого воздуха, полностью изолирован и охлаждается потоком воздуха. Взрывозащита типа Ex d, класс защиты двигателя IP55, класс изоляции F (согласно EN 60034-5, IEC 85). Для тепловой защиты двигатели снабжены встроенным терморезистором PTC для подключения к внешнему устройству защиты.
Регулирование скорости: Скорость 3-фазного двигателя регулируется с помощью частотного преобразователя.
Подключение: Клеммная коробка имеет взрывозащиту типа Ex e, класс защиты IP 65, смонтирована на корпусе вентилятора. Подключение питания к вентилятору осуществляется путем присоединения кабеля к сети переменного тока.
Сертификаты: Сертификат соответствия требованиям Sira 07ATEX6341X.
Размеры

|
Схема подключения
