Преимущества:
- Складская позиция, короткие сроки поставки
- Лопатки аэродинамической формы с регулируемым углом наклона
- Рабочее колесо и лопасти выполнены из литого алюминия
- Корпус выполнен из малоуглеродистой горячекатаной оцинкованной стали, согласно EN ISO 1641
- Антиискровое алюминиевое кольцо
- Фланцы повышенной жесткости (стандарт Eurovent)
- 1~ и 3~ -фазные электродвигатели, IP55, класс изоляции F (EN 60034, IEC 85).
- Допустимая температура окружающей среды от -20°C до +40°C (другие по запросу)
- Двигатель вынесен из потока воздуха
Рекоммендации по применению: Вентиляторы среднего давления Systemair AXCBF-EX применяются для помещений со средой, которая требует специальных двигателей или снижает срок эксплуатации стандартных двигателей. Вентиляторы AXCBF-EX используются для зон 1 или 2 класса, для категорий смеси II А, B и C, и температурных классов T1-T4. Вентиляторы AXCBF-EX классифицируются по категории 2G.
Конструкция: Корпус вентилятора выполнен из малоуглеродистой горячекатаной оцинкованной стали, согласно EN ISO 1641; рабочее колесо и лопасти из литого алюминия. Фланцы имеют повышенную жесткость, согласно требованиям Eurovent.
Двигатель: Взрывозащищенный электродвигатель вынесен из потока перемещаемого воздуха, полностью изолирован и охлаждается потоком воздуха. Взрывозащита типа Ex d, класс защиты двигателя IP55, класс изоляции F (согласно EN 60034-5, IEC 85). Для тепловой защиты двигатели снабжены встроенным терморезистором PTC для подключения к внешнему устройству защиты.
Регулирование скорости: Скорость двигателя регулируется с помощью частотного преобразователя.
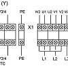
Подключение: Клеммная коробка смонтирована на двигателе. Подключение питания к вентилятору осуществляется путем присоединения кабеля к сети переменного тока.
Сертификаты: Сертификат соответствия требованиям Sira 07ATEX6341X.
Размеры

|
Схема подключения
