Преимущества:
• Возможность регулирования скорости
• Встроенные термоконтакты
• Низкий уровень шума
• Не требуют техобслуживания и надежны в работе
• Горизонтальный выброс воздуха
Рекомендации по применению: Вытяжные системы вентиляции в климатических зонах с агрессивной окружающей средой (например, в морском климате). DHS - экономичное решение для промышленных зданий с загрязненным вытяжным воздухом.
Конструкция: Корпус DHS выполнен из алюминия. Рама изготовлена из оцинкованной стали с защитным порошковым покрытием. Рабочее колесо вентиляторов типоразмером до 355 изготовлено из полиамида PA6 25GV, рабочее колесо вентиляторов типоразмером от 400 изготовлено из алюминия. Вентиляторы серии DHS имеют горизонтальный выброс воздуха.
Двигатель: DHS оборудованы электродвигателем с внешним ротором с рабочим колесом с загнутыми назад лопатками, которые смонтированы на высокоэффективных виброизоляторах. DHS 355-710 оснащены встроенными термоконтактами с выводами для подключения к внешнему устройству защиты от перегрева.
Регулирование скорости: Скорость 1-фазных вентиляторов можно регулировать с помощью тиристора или 5-ти ступенчатого трансформатора, 3-фазных - с помощью 5-ти ступенчатого трансформатора. Регулирование скорости 2-скоростных трехфазных электродвигателей осуществляется изменением способа подключения «треугольник»/«звезда». Преобразователи частоты должны быть с синус-фильтром.
Монтаж: Вентиляторы монтируются на крышный короб типа FDS, SSD.
Сертификаты: Сертификаты соответствия РФ и Украины
Размеры

|
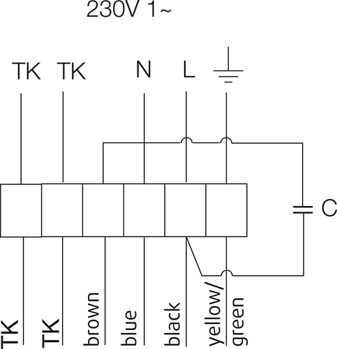
Схема подключения
Brown - КоричневыйBlue - Синий
Black - Черный
Yellow/green - Желто-зеленый
