- Horizontal exhaust
• Крышный вентилятор дымоудаления
• Предел огнестойкости 400°C/120 ми
• Продолжительная работа при температурах до 120°C
• Горизонтальный выброс воздуха
• Применим в морском климате
• Сервисный выключатель на корпусе
Рекомендации по применению: Модификации вентиляторов DVG предназначены для удаления дымовых газов при пожаре, а также в обычных рабочих условиях для стандартной вентиляции. Свободные от дыма проходы увеличивают шансы спасения людей при пожаре. Вентиляторы DVG снижают риск распространения огня на другие здания.
		 
		 Конструкция: Корпус вентилятора выполнен из алюминия, стойкого к воздействию морской воды, рама основания - из оцинкованной стали. DVG оборудованы электродвигателем, вынесенным из потока перемещаемого воздуха и рабочим колесом с загнутыми назад лопатками из оцинкованной стали.
		
		 
		 Двигатель: IE1- электродвигатель вентилятора расположен в герметичном теплоизолированном отсеке, вне воздушного потока. Термозащита двигателя осуществляется при помощи PTC или термоконтактов. Вентиляторы, управляемые преобразователями частоты должны быть доукомплектованы термисторами РТС. Для двухскоростных вентиляторов (мощностью до 4кВт) можно приобрести двухскоростной переключатель (в этом случае необходимодополнительно  устанавливать термоконтакты, нельзя использовать РТС без термоконтактов). В случае применения противопожарного двухскоростного переключателя, преобразователи частоты и все защитные устройства должны быть устранены для обеспечения непосредственного подключения к сети питания. Для частотно регулируемых вентиляторов может понадобиться дополнительная EMC защита.
		
Монтаж: Вентиляторы предназначены для крышного монтажа и устанавливаются над отапливаемыми помещениями во избежание намораживания льда в сливном контуре.
		 
		 Сертификаты: Сертификат соответствия РФ; сертификат соответствия техническому регламенту о требованиях пожарной безопасности: №С-SI.ПБ01.В00160 - 400°С/2 часа.
		
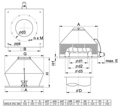
Размеры
 
		Схема подключения
 
		| Single speed electric motor | ||
| 
 | 
 
         
                                 
             
                                         
                                         
                                         
                                         
                                 
                                 
                                 
                                