empty basket
Ваша корзина пуста
Выберите в каталоге интересующий товар
и нажмите кнопку «В корзину».
Перейти в каталог
empty delayed
Отложенных товаров нет
Выберите в каталоге интересующий товар
и нажмите кнопку
Перейти в каталог
Заказать звонок
г. Москва, БЦ Вятский, ул. Вятская д.70, офис 715
Войти
Официальный дилер Systemair
8 800 775-08-79
8 800 775-08-79
г. Москва, БЦ Вятский, ул. Вятская д.70, офис 715
Пн-Пт: 9:30-18:00 Cб-Вс: Выходной
Заказать звонок

Systemair K 315 sileo

Systemair K 315 sileo
Systemair K 315 sileo
Уточнить цену
Systemair K 315 sileo
Уточнить цену
В сравнение
В сравнении
Артикул: 137141
Уточнить цену
[Архивная модель] Низкошумный вентилятор с регулируемой скоростью и защитой от перегрева, подходит для монтажа в любых положениях, включая наружные условия.
Тип
Круглый канальный вентилятор
Маркировка
K 315 sileo
Гарантия
3 года
Родина бренда
Швеция
Все характеристики
Способы оплаты
Доставка

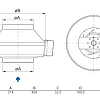
Круглый канальный вентилятор Systemair K 315 sileo выделяется оптимальным сочетанием производительности и низкого уровня шума при максимальном расходе воздуха до 1224 м³/ч и мощности 0.231 кВт. Эта модель поддерживает высокую температуру перемещаемого воздуха до 70 °C и отличается простотой монтажа и надежностью в эксплуатации.

Основные характеристики вентилятора ориентированы на удобство и долговечность эксплуатации. Корпус из оцинкованной листовой стали обеспечивает защиту от коррозии и гарантирует герметичность соединений за счет завальцованных частей и фланцев длиной 25 мм, что упрощает интеграцию в системы воздуховодов. Благодаря двигателю с внешним ротором и назад загнутым пластиковым лопаткам достигается эффективное перемещение воздуха при оптимальном потреблении энергии и частоте вращения 2783 об/мин. Встроенные термоконтакты с ручным перезапуском защищают от перегрева, поддерживая стабильную работу.

Преимущества

  • Регулирование скорости вентилятора возможно как с использованием 5-ступенчатого трансформатора, так и плавно — через тиристор, что позволяет адаптировать работу под конкретные задачи и снизить энергопотребление.
  • Уровень шума 42.7 дБ(А) на расстоянии 3 метров делает вентилятор одним из самых тихих в своем классе, что важно для жилых и офисных помещений.
  • Монтаж возможен в любом положении, включая наклонное и вертикальное размещение, а также во влажных помещениях и на улице — без дополнительной защиты, если подключены воздуховоды с обеих сторон.
  • В комплект входит монтажный кронштейн с винтами, упрощающий и ускоряющий установку на стену или потолок.
  • Дополнительное удобство предлагает использование хомутов FK (приобретаются отдельно), которые минимизируют вибрации и облегчают обслуживание.
  • Вентиляторы не требуют регулярного технического обслуживания и обладают высокой надежностью в длительной эксплуатации.

Варианты применения

Модель K 315 sileo подходит для систем вентиляции различного назначения: от бытовых и административных до общественных и промышленных объектов. Возможность работы при температурах до 70 °C позволяет использовать вентилятор в условиях повышенных тепловых нагрузок.

Такой вентилятор будет эффективным решением для улучшения воздухообмена в жилых домах, офисах, торговых залах, а также в производственных и складских помещениях, где важна высокая производительность и тихая работа. Надежность, простота монтажа и возможность регулировки обеспечивают гибкость применения под разные задачи вентиляции.

Тип
Круглый канальный вентилятор
Маркировка
K 315 sileo
Гарантия
3 года
Родина бренда
Швеция
Воздухообмен (макс), куб.м/ч
1224
Электропитание, В/Гц/Ф
220/50/1
Ток, А
1.01
Частота вращения, об/мин
2783
Максимальная температура перемещаемого воздуха, °C
70
Вес, кг
6.6
Вес в упаковке, кг
7
Емкость конденсатора, мкФ
5
Мощность (производительность), кВт
0.231
Уровень звукового давления на расстоянии 3м, дБ(А)
42.7
Температура перемещаемого воздуха при регулировании макс., °C
70
Systemair K 315 sileo