г. Москва, БЦ Вятский, ул. Вятская д.70, офис 715
Войти
Официальный дилер Systemair
8 800 775-08-79
8 800 775-08-79
г. Москва, БЦ Вятский, ул. Вятская д.70, офис 715
Пн-Пт: 9:30-18:00 Cб-Вс: Выходной
Заказать звонок

Systemair KBR/F 280DV

Systemair KBR/F 280DV
Systemair KBR/F 280DV
Уточнить цену
Systemair KBR/F 280DV
Уточнить цену
В сравнение
В сравнении
Артикул: 137802
Уточнить цену
[Архивная модель] Обеспечивает надежное удаление дымовых газов при пожаре и стандартную вентиляцию при температуре до 200°C с низким уровнем шума и огнестойкостью 120 минут.
Тип
Центробежный вентилятор
Маркировка
KBR/F 280DV
Гарантия
3 года
Родина бренда
Швеция
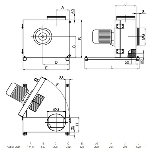
Все характеристики
Способы оплаты
Доставка

Центробежный вентилятор дымоудаления Systemair KBR/F 280DV разработан для бесперебойного удаления дымовых газов и вытяжного воздуха при температурах до 200 °C в стандартном режиме и до 400 °C в аварийных условиях в течение 120 минут, что обеспечивает надёжную работу в системах противопожарной вентиляции.

Основные характеристики и преимущества

  • Вентилятор обеспечивает максимальный воздухообмен до 1520 м3/ч при мощности 0.209 кВт и частоте вращения 1360 об/мин, что позволяет эффективно управлять воздушными потоками в системах дымоудаления и вентиляции.
  • Низкий уровень шума — всего 33 дБ(А) на расстоянии 4 м и 25 дБ(А) на 10 м — минимизирует звуковое воздействие на окружающую среду, что важно для коммерческих и жилых зданий.
  • Высокий предел огнестойкости согласно стандарту F400 (400 °C в течение 120 минут) гарантирует функциональность в экстремальных условиях пожара, подтверждённую сертификатами CE и испытаниями согласно EN 12101-3.
  • Изолированный корпус с минеральной ватой толщиной 50 мм снижает тепловые потери и повышает безопасность эксплуатации, а оцинкованная стальная конструкция корпуса обеспечивает долговечность и защиту от коррозии.
  • Управление скоростью вращения через частотный преобразователь позволяет точно регулировать производительность и адаптировать работу вентилятора под конкретные задачи.

Особенности конструкции и эксплуатации

  • Рабочее колесо из оцинкованной стали с назад загнутыми лопатками оптимизирует воздушный поток и снижает энергозатраты.
  • Откидная дверца с возможностью перенастройки направления открытия упрощает техническое обслуживание и осмотр без демонтажа вентилятора.
  • Встроенные термоконтакты обеспечивают защиту двигателя от перегрева, что увеличивает срок службы и надежность оборудования. Для моделей KBR/F 280DV предусмотрены термоконтакты с выводами под внешнюю защиту.
  • Конструкция на трехфазном электропитании 380 В обеспечивает стабильную работу и подходит для промышленных и коммерческих объектов.

Рекомендации по применению

Systemair KBR/F 280DV эффективно эксплуатируется как в системах дымоудаления при пожаре, так и в повседневной вентиляции при температурах до 200 °C. Универсальность применения охватывает объекты с требованиями к противопожарной безопасности, производственные помещения и общественные здания, где необходим контролируемый уровень шума и высокая надёжность.

Тип
Центробежный вентилятор
Маркировка
KBR/F 280DV
Гарантия
3 года
Родина бренда
Швеция
Воздухообмен (макс), куб.м/ч
1520
Электропитание, В/Гц/Ф
380/50/3
Ток, А
1.39
Частота вращения, об/мин
1360
Максимальная температура перемещаемого воздуха, °C
200
Вес, кг
54
Вес в упаковке, кг
59
Пусковой ток, А
4.6
Мощность (производительность), кВт
0.209
Уровень звукового давления на расстоянии 4м, дБ(А)
33
Уровень звукового давления на расстоянии 10м, дБ(А)
25
Температура перемещаемого воздуха макс, 120 мин, °C
400
Systemair KBR/F 280DV