Центробежный кухонный вентилятор Systemair KBT 225E4 спроектирован для эффективной вытяжной вентиляции при высокой температуре перемещаемого воздуха до 120°C. Он сочетает в себе устойчивость к температурным нагрузкам и низкий уровень шума, обеспечивая комфортную и безопасную работу в промышленных и коммерческих кухнях.
Основные характеристики
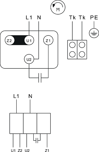
Модель KBT 225E4 рассчитана на максимальный воздухообмен до 2549 м³/ч, что позволяет быстро и эффективно удалять горячий воздух, пары и запахи. Электропитание – однофазное 220 В при частоте 50 Гц с частотой вращения рабочего колеса 1417 об/мин обеспечивает оптимальное сочетание мощности и энергопотребления (976 Вт). Вентилятор характеризуется низким уровнем звукового давления – 38,2 дБ(А) на расстоянии 4 метров и всего 30,2 дБ(А) на 10 метрах, что минимизирует шумовое воздействие на помещение. Встроенный конденсатор емкостью 30 мкФ и пусковой ток 18 А гарантируют надежный запуск, а двигатель соответствует стандарту IEC и оборудован встроенными термоконтактами для защиты от перегрева.
Преимущества и особенности
- Способность работать с воздухом температурой до 120°C расширяет область применения в условиях интенсивного нагрева, таких как промышленные кухни и хлебопекарные печи.
- Регулировка скорости вращения: у однофазной модели доступна 5-ступенчатая настройка через трансформатор, что позволяет адаптировать производительность под конкретные задачи.
- Корпус из двухслойной оцинкованной стали с 50 мм минеральной ватой обеспечивает отличную тепло- и шумоизоляцию.
- Откидная дверца с возможностью смены стороны открывания упрощает техническое обслуживание и осмотр внутренностей вентилятора.
- Виброгасители и изоляция двигателя минимизируют вибрации и увеличивают срок службы оборудования.
- Монтаж возможен на несущей раме с виброгасителями; настенный крепеж производится с использованием кронштейнов WBK (приобретаются отдельно). Для наружной установки потребуется защитный кожух WSD (отдельно).
- Сертификаты соответствия РФ и Украины подтверждают соответствие вентилятора стандартам безопасности и качества.
Области применения
KBT 225E4 предназначен для вытяжной вентиляции воздуха с высокими температурами в профессиональных кухнях ресторанов и кафе, на хлебопекарных предприятиях, а также для удаления газов и дымов при сварочных и других технологических процессах. Надежность и адаптивность модели дают возможность использования в промышленных и коммерческих зонах, где требуется устойчивое воздушное перемещение при экстремальных условиях.
Комплектация и монтаж
В комплект поставки входят виброгасители и несущая рама, обеспечивающие стабильную установку и снижение вибраций. Для настенного или наружного монтажа требуется приобретение дополнительных комплектующих – кронштейнов WBK и защитного кожуха WSD. Такая гибкость монтажа позволяет интегрировать вентилятор в различные системы вентиляции с учетом особенностей пространства.

