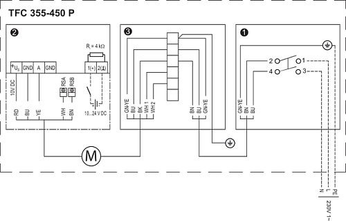
Преимущества Systemair TFC 355 P Sileo Black
Легкое размещение
		Крышные вентиляторы Systemair TFC Sileo оснащены изолированным корпусом, что снижает уровень шума работы до минимума. Кроме того, восходящий воздушный поток, который формирует TFC Sileo, предотвращает загрязнение близлежащей территории.
Композитное рабочее колесо
		Рабочее колесо вентилятора сделано из композитного материала, что делает его очень легким, и имеет длительный срок службы.
Алюцинковое покрытие
		Кожух вентилятора имеет покрытие, которое выполнено из алюцинка, и имеет класс коррозийной стойкости С4. Кроме того, для дополнительной защиты вентилятор имеет дополнительное порошковое покрытие.
Функция блокировки
		Для обеспечения безопасности технического персонала при выполнении сервисного обслуживания вентилятор Systemair TFC Sileo имеет блокировочный переключатель, который делает невозможным запуск вентилятора с пульта управления.
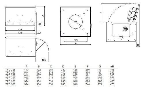
Systemair TFC Sileo - это крышный вентилятор, который предназначен для коммерческих и жилых зданий. Он доступен в черном (Black) или терракотовом (Red) цвете. Имеет встроенный высокоэффективный EC-вентилятор, который может быть оснащен системой регулирования согласно техническому заданию. Конструкция вентилятора максимально облегчает техническое и сервисное обслуживание.
Применение вентиляторов Systemair TFC Sileo обеспечивает удобное и простое решение для выброса отработанного воздуха на основе текущей потребности и поставляется в двух вариантах:
- Версия S - содержит потенциометр, с помощью которого можно легко установить требуемую рабочую точку вентилятора в диапазоне мощности от 0 до 100 %. Это простое решение в том случае, когда не требуется регулировать работу вентилятора.
- Версия P - по умолчанию содержит регулирование по поддержанию постоянного давления (VAV), которое может быть легко изменено для регулирования постоянного расхода воздуха (CAV).
 
         
                                 
             
                                         
                                         
                                         
                                         
                                 
                                 
                                 
                                