- скорость вращения регулируется изменением напряжения, либо 2-х ступенчатым переключением D / Y (400 V)
- защитная решетка на входе поставляется как принадлежность
- безопасны и надежны в работе
- могут быть установлены в любом положении
- клеммная коробка смонтирована на корпусе
Осевые вентиляторы AR sileo с рабочим колесом с лопатками аэродинамической формы приводятся в движение двигателем с внешним ротором.
Круглый корпус вентиляторов AR изготовлен из оцинкованной стали (в соответствии с Eurovent 1/2) и полностью окрашен в черный цвет (RAL9005). Защитная решетка, поставляемая как аксессуар, имеет порошковое покрытие черного цвета.
Осевое рабочее колесо изготовлено из литого под давлением алюминия и также окрашено в черный цвет. Рабочее колесо динамически сбалансировано (в соответствии с DIN ISO 1940 ч. 1, G6.3).
Двигатели оснащены встроенными термоконтактами с выводами для подключения к внешнему устройству защиты от перегрева.
Сертификаты: Сертификаты соответствия РФ и Украины
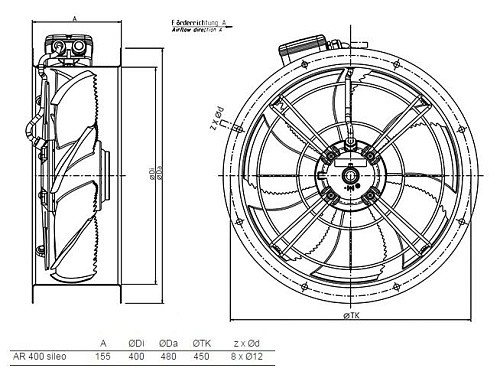
Размеры

|
Схема подключения
